

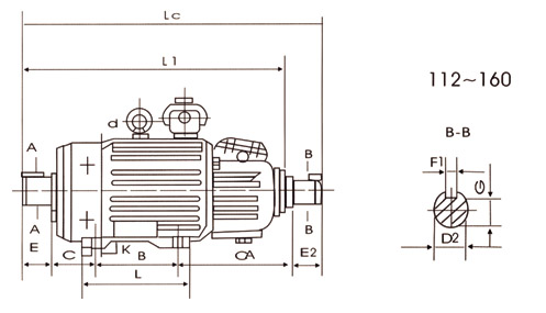
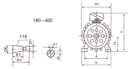
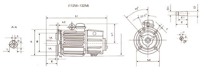
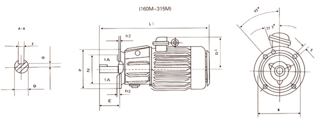
產品概述:
1.1、YZR、YZ系列是最新設計的電動機,具有過載能力大和機械強度高的特點,特別適用于驅動各種類型的冶金 及起重機械或其它類似設備。YZR系列為繞線轉子電動機、YZ系列為籠型電動機。 1.2、電動機能在下列環境條件下正常運行: (1)冷卻介質溫度不超過60℃(冶金用電動機)或40℃(起重用電動機)。 (2)海拔不超過1000米。 (3)經常的、顯著的機械振動和沖擊。 1.3、電動機在下述負載條件下能正常工作 (1)經常的起動與逆轉 (2)經常的電氣或機械制動 1.4、電動機的額定頻率為50赫,額定電壓為380伏 1.5、接法:功率為132千瓦和小于132千瓦的定子繞 組用Y接法,其余的用△接法 1.6、型號說明
1.7、輸出功率和轉速 基準工作制(S340%)時的額定輸出功率和同步轉速見表1(籠型電動機制造粗線框內的規格)

1.8、基準工作制時,YZR系列電動機在額定電壓下的最大轉矩對額定轉矩之比的保證值見表2

1.9、基準工作制時,YZ系列電動機在額定電壓下的最大轉矩和堵轉轉矩對額定轉矩之比的保證值見表3

電動機的工作方式及技術數據:
2.1 電動機的額定電壓為380V,額定頻率為50HZ。 2.2 電動機適用于斷續周期性負荷,根據負荷的不同性質,電動機的工作制分為: 2.2.1 斷續周期性工作制(S3):是一系列相同的工作周期,每一周期包括一段恒定負載運轉的時間和一段停止并斷能的時間 (見圖1),在這種類型中,每一周期的起動電流應對電動機的溫升無明顯的影響;每10分鐘為一工作周期,即每小時起動六次。 2.2.2 帶起動的斷續周期性工作制(S4):是一系列相同的工作周期,每一周期包括一段起動時間,一段恒定負載運轉的時間和一 段停止并斷能時間(見圖2);每小時起動次數分為150、300及600次。 2.2.3 帶電制動的斷續同期性工作制(S5):是一系列相同的工作周期,每一周期由一段起動時間,一段恒定負載運轉時間,一段 快速電制動時間和一段停止并斷能時間所組成(見圖3)。 2.3 選用電動機時,各種起動及制動狀態均需按等效發熱折算成每小時等效全起動次數。以該等效全起動次數確定電動機的定額。 折算典型例子見表4。 折算的方法: 點動(最終速度不超過額定轉速的25%)四次相當于一次全起動:電制動(制動到額定轉速的1/3)一次相當于0.8次全起動。 2.4 電動機的基準工作方式為S3-40%,各工作制下電動機的技術數據見表5。電動機名牌數據一般按基準工作制供給,如用戶有 特殊要求則按用戶要求供給數據。當電機需要按S2~S5工作制之外的方式運行時,需與制造廠協商。
 



電動機的工作方式及技術數據 點擊查看


電動機的工作方式及技術數據 點擊查看 |